| Tunnel Lights Area Scan Catalogue Download | |||||||||||||||||||||||||||||||||||||||||||||||||||||||
| ♦ Spectrum Distribution | |||||||||||||||||||||||||||||||||||||||||||||||||||||||
![]() |
|||||||||||||||||||||||||||||||||||||||||||||||||||||||
| ♦ Applications the light be used for | |||||||||||||||||||||||||||||||||||||||||||||||||||||||
|
• Tobacco package box quality inspection. • PCB aluminum foil detection. • Glass surface defects inspection. • Film surface defects inspection. |
|||||||||||||||||||||||||||||||||||||||||||||||||||||||
| ♦ Model Description | |||||||||||||||||||||||||||||||||||||||||||||||||||||||
![]() |
|||||||||||||||||||||||||||||||||||||||||||||||||||||||
| ♦ Parameter | |||||||||||||||||||||||||||||||||||||||||||||||||||||||
|
|||||||||||||||||||||||||||||||||||||||||||||||||||||||
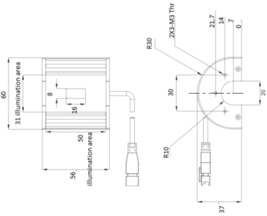
| ♦ Dimensions(mm) | |||||||||||||||||||||||||||||||||||||||||||||||||||||||
|
中文
日本語
English















